• 首页

    Home

  • 团队成员

    Team

  • 学术方向

    Research

    1. 生物质催化热解

      Biomass Catalytic Pyrolysis

    2. 废塑料热化学回收

      Plastic Chemical Recycling

    3. CWXO废水资源化

      CWXO Wastewater Valorization

  • 科研项目

    Project

  • 工程实例

    Demonstration

  • 授权专利

    Patent

  • 发表文章

    Publication

  • 学术动态

    News

  • 招生招聘

    Employment

  • 关于我们

    About

  • 首页Home
  • 团队成员Team
  • 学术方向Research
    1. 生物质催化热解 Biomass Catalytic Pyrolysis
    2. 废塑料热化学回收 Plastic Chemical Recycling
    3. CWXO废水资源化 CWXO Wastewater Valorization
  • 科研项目Project
  • 工程实例Demonstration
  • 授权专利Patent
  • 发表文章Publication
  • 学术动态News
  • 招生招聘Employment
  • 关于我们About

授权专利 Research

  • 授权专利 Patent

授权专利 Patent

首页 > 授权专利
  • 2025-05-23

    一种用于过一硫酸盐氧化法同时去除废水中氰化物和有机物的催化剂及其制备方法和应用

    Catalyst with Preparation Method for Simultaneous Removal of Cyanide and Organics from Wastewater by Peroxymonosulfate Oxidatio

    CN119608185B

  • 2024-06-20

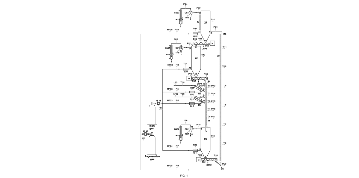
    Laboratory scale fluid catalytic cracking unit for co-refining bio-based feedstocks

    用于生物基原料共炼的实验室规模流化催化裂化装置

    WO/2024/126556

  • 2023-08-24

    Laboratory gram-scale pyrolysis reactor

    实验室克级热解反应器

    WO/2023/156679

首页上页1下页尾页

中国科学院大连化学物理研究所 环境催化工程研究组

Copyright© DNL0902 All rights reserved. 辽ICP备05000861号

联系电话:0411-84379326(秘书), 0411-84379962(项目经理)

地 址:大连市中山路457号